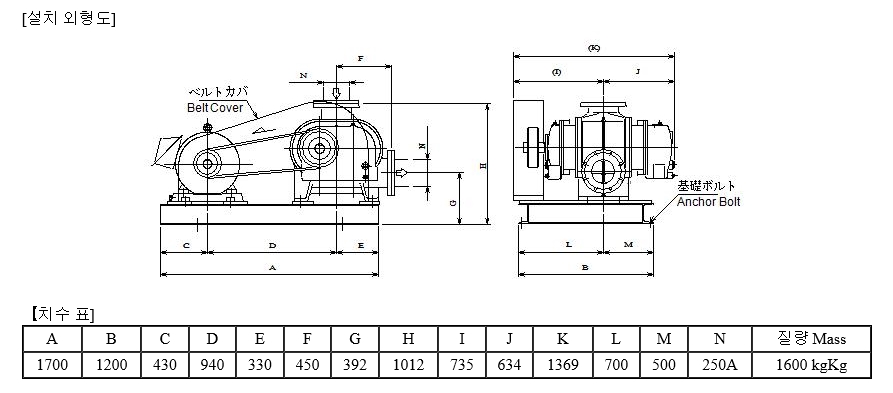
ITO ROTARY BLOWER 압송 SUS 송풍기 > IRS-250AS
페이지 정보

본문


첨부파일
-
05-05-2.pdf (146.1K)
12회 다운로드 | DATE : 2022-08-25 08:58:07
- 이전글압송 SUS 송풍기 > IRS-200CS 22.08.25
- 다음글압송 SUS 송풍기 > IRS-80BS 22.08.24

