Daito Kogyo 【 HP형, KH형】
페이지 정보

본문
【 HP-M 형, KH-M 형 】
○ HP-M 형 3 / 8 ~ 2B
○ KH-M 형 1 1 / 2 ~ 6B
▣ 싱글 기계식 밀봉 방식의 축 봉과 인사이드 메카니컬 씰 (HP-EM 형, KH-M 형) 또는 아웃 사이드 메카니컬 씰
(HP-M 형, KH-KM 형)의 두 종류가 있습니다. 플랜메탈식으로 고압 · 장시간 연속 운전이 가능합니다.
내식 · 내 마모 용으로 각종 재질의 조합 또한 재킷 내부 안전 밸브 등의 장비도 있습니다.
주문 제작품으로, 고객의 사양에 맞추어 협의 제작합니다.
<HP-M 형 커플 링 직결식> <HP-M 형 펌프 본체>
<KH-M 형 V 벨트 구동식> <KH-M 형 펌프 본체>
【 HP 형, KH 형 】
○ HP 형 3 / 8 ~ 2B
○ KH 형 1 1 / 2 ~ 6B
▣ 그랜드 패킹 식의 축 밀폐 타입입니다.
<KH 형 기어드 모터 직결 식>
▣ 구조도 【KH-M 형】
▣ 사양표 【HP 형, KH 형】
펌프형식 | 구경 | V벨트 구동 | 커플링 직결형 |
| ||||||||||||
| 토출량 | 압력 | 회전 | 4극 | 50 Hz | 60 Hz |
| |||||||||
| B | A | 토출량 | 압력 | 회전 | 6극 | 토출량 | 압력 | 회전 | 6극 |
| |||||
|
| |||||||||||||||
| HP-4(M) | 3/4 | 20 | 10 | 0.5~1.0 | 500 | 0.4~0.75 | 22 | 0.5~1.0 | 960 | 0.75~1.5 | 26 | 0.5~1.0 | 1150 | 0.75~1.5 |
|
| HP-6(M) | 1 | 25 | 20 | 0.5~1.0 | 500 | 0.75~1.5 | 45 | 0.5~1.0 | 960 | 1.5~2.2 | 54 | 0.5~1.0 | 1150 | 1.5~3.7 |
|
| KH-10(M) | 1 1/2 | 40 | 45 | 0.5~1.0 | 500 | 1.5~2.2 | 100 | 0.5~1.0 | 960 | 2.2~5.5 | 120 | 0.5~1.0 | 1150 | 3.7~5.5 |
|
| KH-15(M) | 2 | 50 | 90 | 0.5~1.0 | 500 | 2.2~3.7 | 190 | 0.5~1.0 | 960 | 3.7~7.5 | 230 | 0.5~1.0 | 1150 | 5.5~7.5 |
|
| KH-25(M) | 3 | 80 | 150 | 0.5~1.0 | 450 | 3.7~7.5 | 340 | 0.5~1.0 | 960 | 7.5~15 | 400 | 0.5~1.0 | 1150 | 7.5~15 |
|
| KH-30(M) | 4 | 100 | 200 | 0.5~1.0 | 450 | 5.5~11 | 450 | 0.5~1.0 | 960 | 11~22 | 540 | 0.5~1.0 | 1150 | 11~22 |
|
| KH-35(M) | 4 | 100 | 270 | 0.5~1.0 | 450 | 7.5~15 | 620 | 0.5~1.0 | 960 | 15~26 | 740 | 0.5~1.0 | 1150 | 15~26 |
|
| KH-50(M) | 5 | 125 | 400 | 0.5~1.0 | 450 | 11~22 | 850 | 0.5~1.0 | 960 | 22~37 | 1000 | 0.5~1.0 | 1150 | 22~37 |
|
| KH-60(M) | 5 | 125 | 550 | 0.5~1.0 | 450 | 15~26 | 1200 | 0.5~1.0 | 960 | 26~45 | 1400 | 0.5~1.0 | 1150 | 26~45 | |
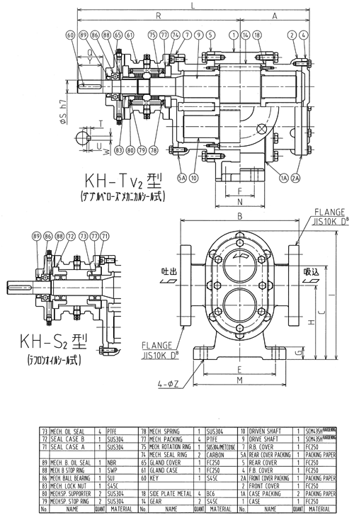
【 HP-Tv2 형, KH-Tv2 형 】
○ HP-Tv2 형 1 / 2 ~ 2B
○ KH-Tv2 형 1 1 / 2 ~ 6B
▣ 다이토 코교의 오리지날 더블 벨로우즈 기계식 밀봉 방식 축 봉입니다.
발군의 씰과 자흡 능력을 가지고 있어 드럼 흡입, 진공 방출 등이 가능합니다.
메카니컬 씰 세트는 화학 액 등 각종 용제 및 페인트 등에 많은 실적이 있습니다.
<KH-Tv2 형 V 벨트 구동 식> <KH-Tv2 형 펌프 본체>
【 HP-S2 형, KH-S2 형 】
○ HP-S2 형 3 / 8 ~ 2B
○ KH-S2 형 1 / 22 ~ 6B
▣ 테플론 오일 씰 방식의 축 봉에서 열 경화 액, 빛 경화 액, 니스, 페인트, 수지 등의 경화하기 쉬운 액체에
최적의 펌프입니다.
씰 부분은 세라믹과 테플론 오일 씰의 조합으로 고화 방지를 하고 있습니다. 유지 보수가 용이합니다.
<HP-S2형 펌프 본체>
▣ 구조도 【 HP-Tv2 형,KH-Tv2 형】
【 HP-M2 형, KH-M2 형 】
○ HP-M2 형 3 / 8 ~ 2B
○ KH-M2 형 1 1 / 2 ~ 6B
▣ 더블 메카니컬 씰 방식의 축 봉입니다.
실리콘 오일 등의 고점도 액, 고압 이송 용 펌프입니다. 6P 직결 고속 운전도 가능합니다.
<HPR-M2 형 커플 링 직결식>
▣ 구조도 【HP-JTjv2형,KH-JTjv2형 】
【 HP-JTjv2 형, KH-JTjv2 형 】
○ HP-JTjv2 형 1 ~ 1 1/2B
○ KH-JTjv2 형 1 1 / 2 ~ 6B
▣ 더블 벨로우즈 기계식 밀봉 방식의 축 밀봉에 재킷을 포함시켜, 펌프 본체의 가열 및 메카씰 부의
냉각 또는 보온을 자유롭게 할 수 있습니다.
<HP-JTjv2 형 펌프 본체>
첨부파일
-
HP-JTjv2 구조도.pdf (121.8K)
13회 다운로드 | DATE : 2022-08-29 15:03:34 -
HP-T 구조도.pdf (128.4K)
7회 다운로드 | DATE : 2022-08-29 15:03:34 -
KH-M형 구조도.pdf (142.2K)
8회 다운로드 | DATE : 2022-08-29 15:03:34

